OBD 转特斯拉 26P 线束(OBD II-16P 转 特斯拉 26P 公 / 母头)
分类: 汽车线束
描述
一、产品概述
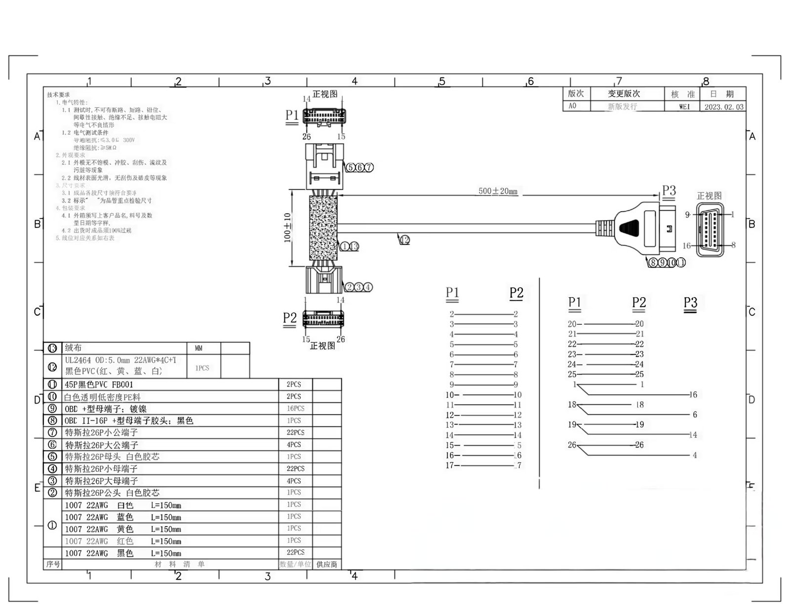
本产品为OBD II-16P 转特斯拉 26P 线束,专为车载诊断与特斯拉车辆通信场景设计,实现稳定可靠的信号传输。
二、核心电气参数
- 线材规格:UL2464 22AWG,4C+1 芯,导体外径 5.0mm
- 护套材质:黑色 PVC,芯线颜色:红、黄、蓝、白
- 成品线长:500±20mm
- 剥线长度:100±10mm
- 电气性能:
- 耐压测试:AC 300V
- 绝缘阻抗:≥5MΩ
- 无断路、短路、错位、接触不良等电气缺陷
三、连接器与端子规格
表格
| 接口端 | 类型 | 端子规格 | 胶壳 / 胶芯 |
|---|---|---|---|
| P1/P2(特斯拉端) | 特斯拉 26P 公 / 母头 | 26P 大公 / 小公端子(镀镍) | 白色胶芯 |
| P3(OBD 端) | OBD II-16P 母头 | + 型母端子(镀镍) | 黑色胶壳 |
四、外观与包装
- 外观要求:外模无损伤、冲胶、刮伤等缺陷,线材表面光滑无破皮
- 包装信息:外箱标注客户品名、料号及出货日期,出货前 100% 电气测试
- 防护设计:线束中段包裹绒布,提升耐磨与抗干扰性能
五、引脚对应关系(核心定义)
表格
| 特斯拉端引脚 | OBD 端引脚 | 芯线颜色 |
|---|---|---|
| 1 | 16 | 白色 |
| 18 | 6 | 蓝色 |
| 19 | 14 | 黄色 |
| 26 | 4 | 红色 |
| 其余引脚 | 对应引脚 | 黑色 |
六、版本与认证
- 版次:A0(新版发行)
- 核准:WE1
- 日期:2023.02.03
- 符合标准:UL 线材标准,车载电气性能测试规范
七、应用场景
适用于特斯拉车辆的车载诊断、数据读取、功能调试等场景,为售后诊断、改装升级提供稳定连接方案。
Shipping and Delivery
